|
技术参数 |
|
|
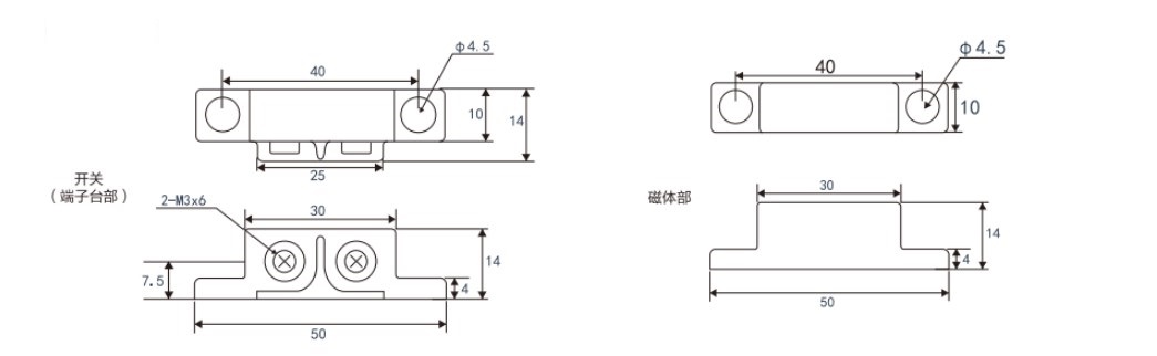
检测头尺寸 |
50mm ×14mm × 14mm |
|
类型 |
磁簧开关/接近导通 |
|
检测距离 |
15mm |
|
响应频率 |
20Hz以下 |
| 使用温度范围 |
-20~60℃ |
| 保存温度范围 |
-20~60℃ |
|
使用湿度范围 |
35~85%RH |
|
保存湿度范围 |
35~85%RH |
|
耐电压 |
各端子和外壳间:AC1000V50/60Hz1min |
|
振动(耐久) |
耐久:10~55Hz双振幅1.5mm,X、Y、Z各方向2h |
|
冲击(耐久) |
耐久:300m/s²,X、Y、Z各方向3次 |
| 防护等级 |
IEC: IP40 |
|
连接方式 |
端子台型 |
|
材质 |
传感器:ABS,磁铁:ABS |




