
|
技术参数 |
|
|
符合标准 |
BSEN62061:2015, IS013849-1:2015, IS013849-1:2012 |
|
安全完整等级(SIL) |
BS EN 62061:2015. SIL 3 |
|
性能水平(SL) |
ISO 13849-1:2018. PLe |
|
电源电压 |
24VDC |
| 模块功耗 |
≤3W(24VDC时) |
| 电源及输出保护 |
内置自恢复器盘 |
|
状态显示 |
3个绿色LED |
|
启动方式 |
手动启动/自动启动(可通过短接533、534实现) |
|
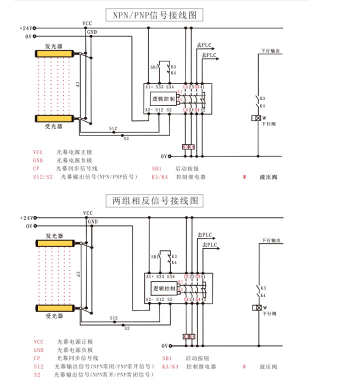
输入信号 |
NPN型安全光幕输出的网络电平信号/PNP型安全光幕输出的网络电平信号/输入网络相反的电平信号 |
|
安全输出 |
3路常开输出(13-14.23-24. 33-34) |
|
信号输出 |
1路常闭输出(41-42) |
| 开关容量 |
4路常开触点(6次/分钟) AC15:55A/230VAC DC13:7A/DC24V |
|
约定发热电流计 |
5A |
|
保险等级 |
6A快速4A级 |
|
使用类别 |
AC-15. DC-13 |
|
触点材料及结构 |
AgSn0+0.2HmAu,强制断开触点 |
|
触点电阻 |
≤100mΩ |
|
机械寿命 |
1千方次 |
|
操作频率 |
6次/分钟 |
|
额定电压下安全输出响应时间 |
手动启动:35ms 自动启动:30ms |
|
额定电压下安全断开响应时间 |
10ms(不包含未基本参数的相应时间) |
|
防护等级 |
端子:IP20.壳体:IP40 |
|
额定绝缘电压 |
300V(符合EC60947-5-18污染等级2) |
|
额定冲击耐压 |
2500V(符合EC60947-5-18引燃过电压) |
|
工作温度 |
-40°C~70°C |
|
存储温度 |
-40°C~80°C |
|
接线方式 |
可拆卸的螺丝端子 |
|
接线能力 |
最大2根1.5mm芯或多芯线或1根2.5mm芯或多芯线 |
|
型号(网络密闭) |
SP-SMR-N2/SP-SMR-P2/SP-SMR-NP2 |
|
型号(网络开) |
SP-SMR-L2/SP-SMR-D2/SP-SMR-ND2 |





